App Icon
EN
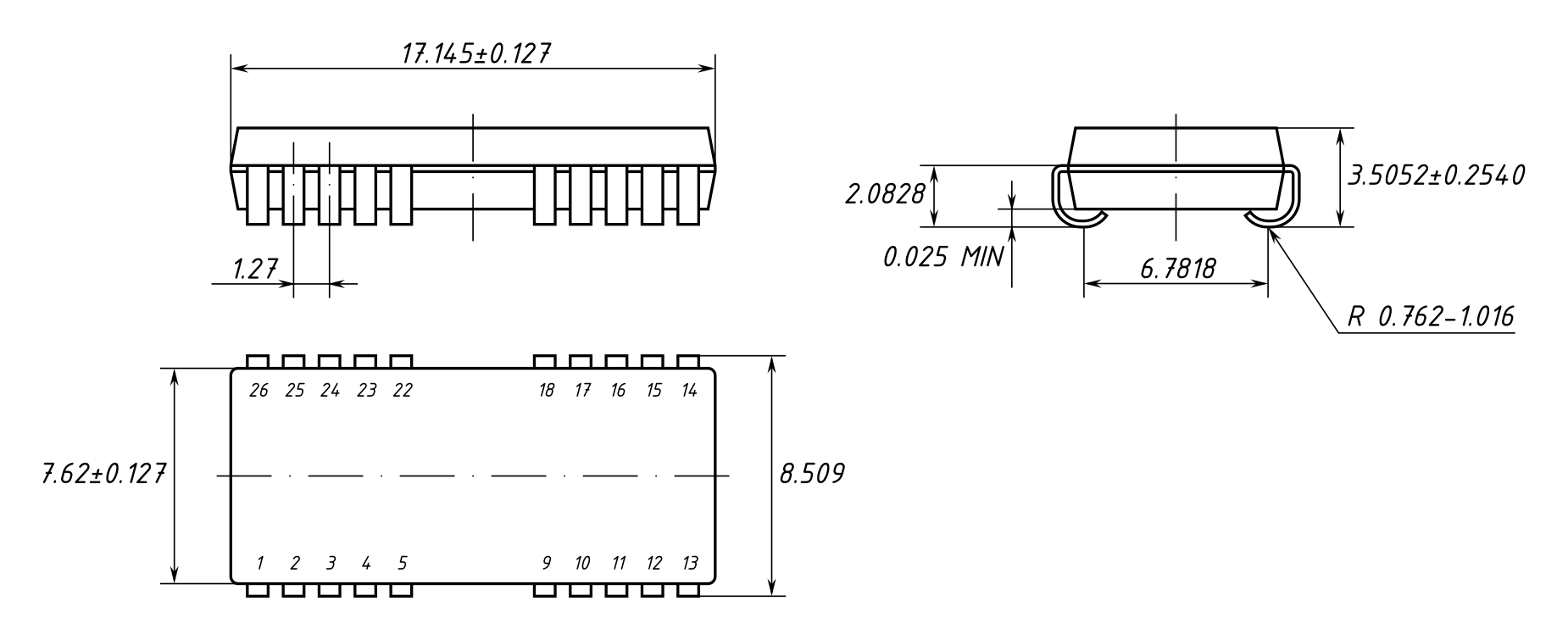
KM44V1000D
1M x 4Bit CMOS Dynamic RAM with Fast Page Mode, 3.3V
Pinout:
Default
Style:
GOST
Variant:
Variant 1
(JEDEC MS-023, Variation AB)
Pinout
Manufacturer: Samsung Electronics
Part number: KM44V1000D-5
Manufacturer: Samsung Electronics
Part number: KM44V1000D-6
Manufacturer: Samsung Electronics
Part number: KM44V1000D-7