Online electronic circuit editor
EN
EN
RU
Log In
Sign Up
Demo
Components
Abstract
Discrete
Connectors_
Power
Integrated circuits
My symbols
Transformers
Switches
Vacuum tubes
Indication
Audio
Connectors
Connectors
General Purpose
Computer Peripherals
Memory
DIN connectors
Pin Headers
Terminal blocks
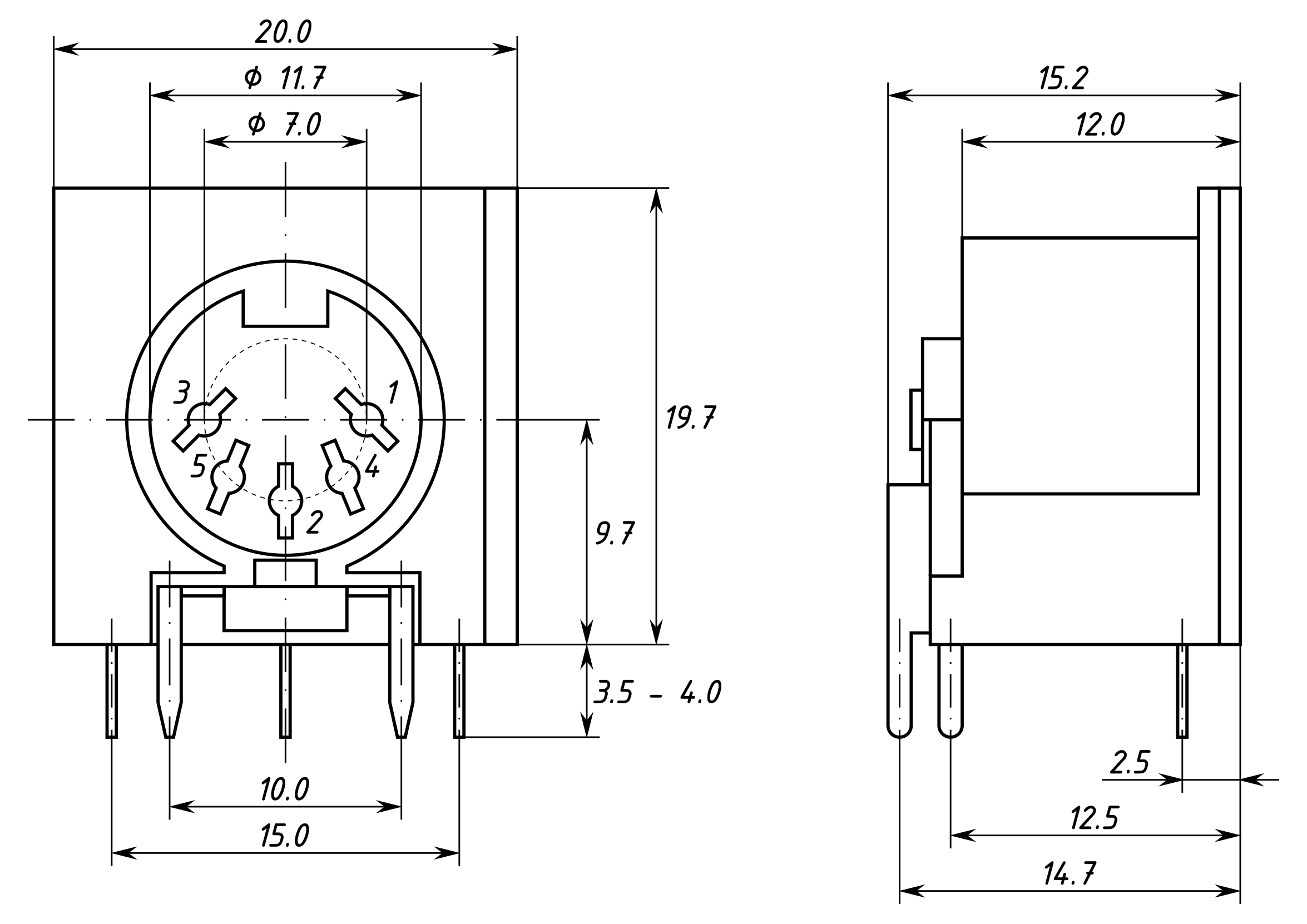
DIN-5
5 pin DIN female connector
Pinout:
Default
Style:
GOST
Variant:
Variant 1
DIN-5
Manufacturer:
China/Unknown
Part number:
DIN-5
DIN-5
package diagram