Онлайн редактор электронных схем
RU
EN
RU
Вход
Регистрация
Демо
Компоненты
Абстрактные
Дискретные
Разъёмы, соединители
Питание
Микросхемы
Мои символы
Трансформаторы
Коммутация
Электровакуумные приборы
Индикация
Акустика
Разъёмы
Разъёмы
Общего назначения
Pin Headers
Разъёмы DIN
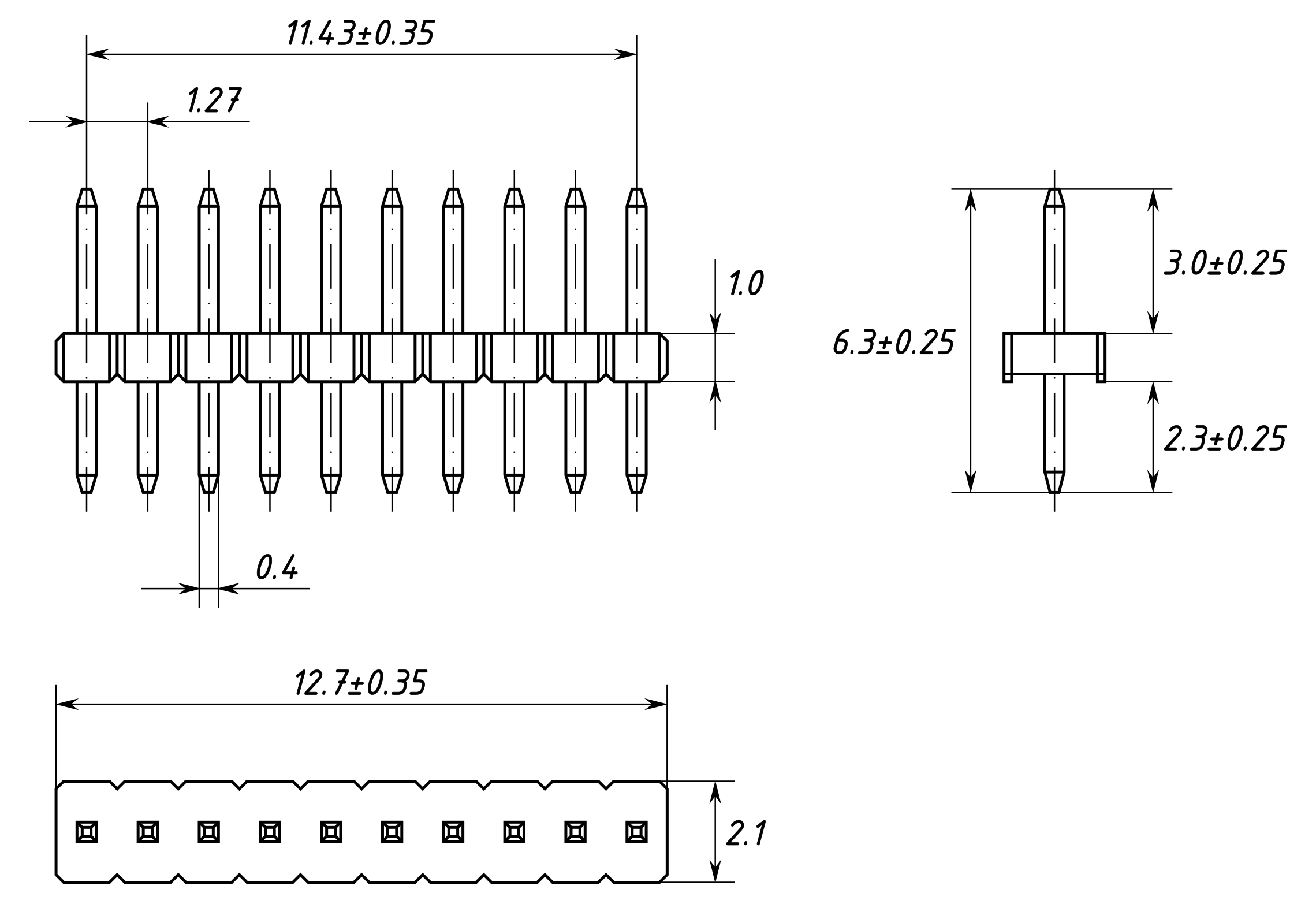
Вилка штыревая 10x1, 1.27мм
Однорядная штыревая вилка, 10 контактов с шагом 1.27мм
Цоколёвка:
По-умолчанию
Стиль:
ЕСКД
Вариант:
Вариант 1
PHC10x1
Производитель:
Amphenol
Код изделия:
G8020101106YEU
Pin header connector 10x1
чертёж корпуса
PHCRA10x1
Производитель:
Harwin
Код изделия:
M50-3931042
Right angle pin header 10x1
чертёж корпуса